基本參數/PARAMETER
| 工作溫度 | -20℃to+70℃ |
| 額定電流 | 0.5A.12V DC |
| 絕緣電阻 | 100mΩ min.100V DC |
| 介電強度 | 250V AC for 1 min |
| 接觸電阻 | 100mΩ max |
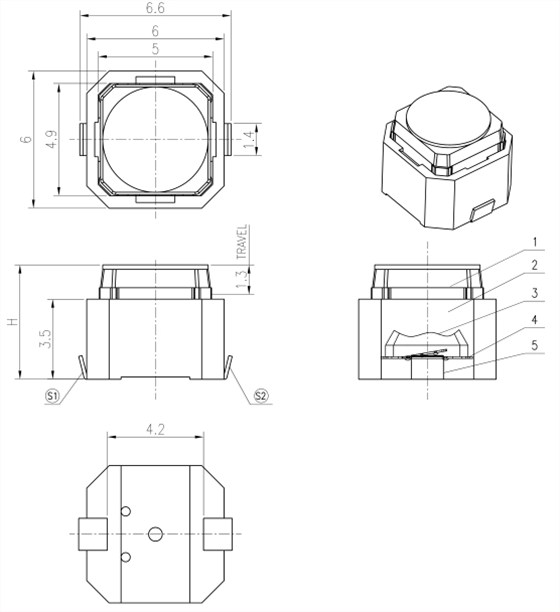
| 開關行程 | 0.25±0.1m |
| 高度 | 5mm |
| 按 力 | 160gf/260gf |
外形圖/Specifications
安裝孔尺寸圖/Mounting hole dimensions
電路圖/Schematic
焊接條件/Welding conditions
注意事項/Precautions
貼片式輕觸開關系列使用注意事項:
1. 考慮清洗觸摸開關時,請協商。
2. 請不要從觸摸開關上面浸入助焊劑。
3. 請不要事前在開關端子及印刷電路板的零部件貼裝面上涂助焊劑。
4. 進行第2次焊接時,應在開關回復到常溫之后進行。
應用行業/By Industry
|
|









